首页
关于我们
产品中心
新闻中心
应用案例
资料下载
联系我们
首页
-
产品中心
-
拉压力传感器
动态扭矩传感器
静态扭矩传感器
拉压力传感器
圆形测力传感器
轮辐式传感器
非标定制传感器
显示控制器、信号变送器
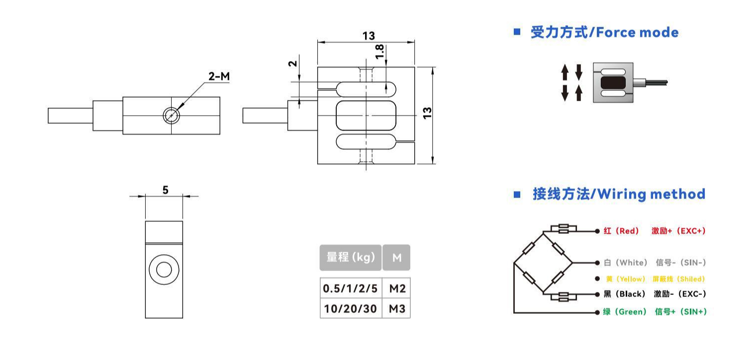
广泛应用于小空间拉力测试、张力测试等各种工业自动化设备。键盘手感按键测力等,测量精度优于土0.15% ,长期稳定性好,重复性可靠性高,采用不锈钢材质。
返回列表
产品描述
安装尺寸
技术参数
广泛应用于小空间拉力测试、张力测试等各种工业自动化设备。键盘手感按键测力等,测量精度优于土0.15% ,长期稳定性好,重复性可靠性高,采用不锈钢材质。
13399849586
44673234@qq.com
重庆市九龙坡区华岩镇龙渡路93号附8号4-3号
关于我们
产品中心
新闻中心
应用案例
资料下载
联系我们
Copyright © 2025 重庆通达兴宇科技有限公司 版权所有.
渝ICP备2025056385号-1